安科瑞三相储能电表双向电能表防逆流监测装置ADL400N
安科瑞三相储能电表双向电能表防逆流监测装置ADL400N
产品价格:¥399.00(人民币)
  • 规格:ADL400N-CT\/D10
  • 发货地:江苏无锡
  • 品牌:
  • 最小起订量:1
  • 免费会员
    会员级别:试用会员
    认证类型:企业认证
    企业证件:通过认证

    商铺名称:安科瑞电气股份有限公司

    联系人:王璐月(小姐)

    联系手机:

    固定电话:

    企业邮箱:1581751834@qq.com

    联系地址:育绿路253号

    邮编:201801

    联系我时,请说是在牵牛钢材网上看到的,谢谢!

    商品详情
      产品参数
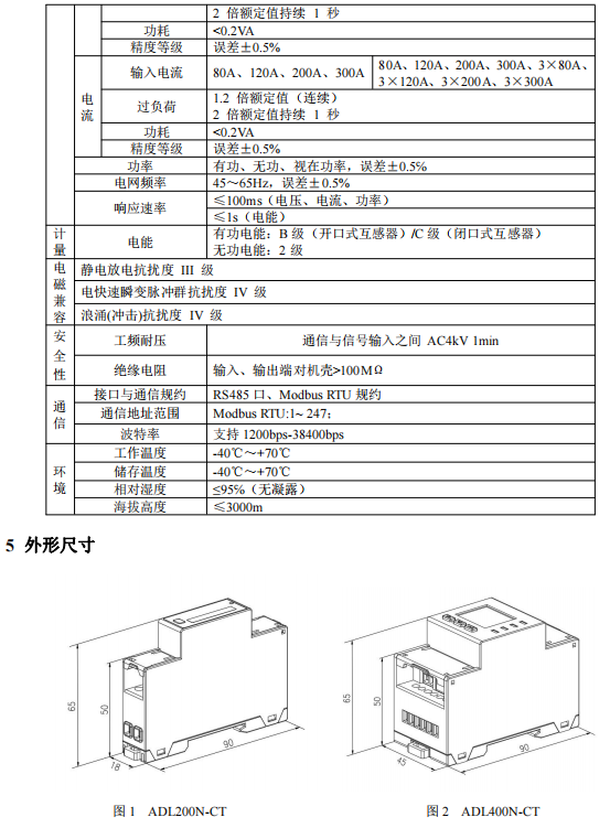
      频率45Hz~65Hz
      功耗小于0.2VAW
      电压AC57.7/100V
      220/380V
      脉冲4000
      8000imp/kwh
      通讯RS485接口
      Modbus-RTU
      显示LCD
      精度0.5级
      电源AC85-265V
      DC100-350V
      品牌安科瑞
      工作温度-10^55℃















    0571-87774297