哪里有销售T47H浮球式蒸汽疏水调节阀的厂家
哪里有销售T47H浮球式蒸汽疏水调节阀的厂家
产品价格:¥定价销售(人民币)
  • 规格:T47H
  • 发货地:上海
  • 品牌:
  • 最小起订量:1只
  • 诚信商家
    会员级别:金牌会员
    认证类型:企业认证
    企业证件:通过认证

    商铺名称:上海昊沃阀门有限公司

    联系人:吕经理(先生)

    联系手机:

    固定电话:

    企业邮箱:765761533@qq.com

    联系地址:上海市星云经济园区真北路3199号

    邮编:201900

    联系我时,请说是在牵牛钢材网上看到的,谢谢!

    商品详情

      哪里有销售T47H浮球式蒸汽疏水调节阀的厂家


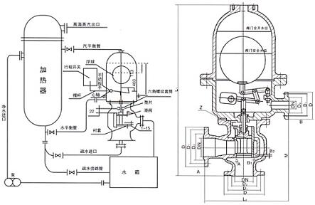
        适用于电站、化工、制药、造纸等行业具有加热器的工业部门,用于除氧汽水箱水位的调节,有效控制加热器中的水量多少的必须设备。


      T47H浮球式蒸汽疏水调节阀工作原理和设计特点:
      1. 利用凝结水液位的变化而使浮球上升和下降,也可以手柄操作,从而驱动下部的启闭装置,开启和关闭,实现排水阻气的功能。
      2. 该阀随着凝结水液面上升,当浮球升到距罩盖底平面403mm时,阀门全开使冷凝结水大量排入水箱。当浮球下降113毫米后,阀门全关,冷凝水不能流出,使浮球稳定的限制在113-403毫米的空间范围内变化,从而使阀门达到只能排放空气和水及高温冷凝水,而阻止蒸汽泄漏的优越性。
      3. 外形尺寸较大,适用于较大背压力且不会泄漏蒸汽,排出的凝结水是接近蒸汽压力的饱和水,故有利于提高本阀门的设备热效率和二次蒸汽利用的节能特点。 


      T47H浮球式蒸汽疏水调节阀产品外形与结构尺寸



      公称通径 DN(mm)

      主要外形尺寸

      连接尺寸

      L1

      L2

      M

      A-D

      D2

      b

      DN

      B-D

      D2

      b

      40

      460

      540

      964

      160

      240

      385

      145

      85

      18

      40

      145

      85

      18

      50

      160

      100

      20

      80

      195

      135

      22

      100

      215

      155

      25

      150

      470

      560

      980

      280

      210

      30

    0571-87774297