创升来揭晓塑料液下泵的装配八大步骤
创升来揭晓塑料液下泵的装配八大步骤
产品价格:¥1(人民币)
  • 规格:CSH
  • 发货地:东莞
  • 品牌:
  • 最小起订量:1台
  • 免费会员
    会员级别:试用会员
    认证类型:企业认证
    企业证件:通过认证

    商铺名称:东莞市创升机械设备有限公司

    联系人:成小姐(小姐)

    联系手机:

    固定电话:

    企业邮箱:2851011376@qq.com

    联系地址:东莞市大岭山镇大塘工业区

    邮编:523082

    联系我时,请说是在牵牛钢材网上看到的,谢谢!

    商品详情
      任何一台泵的生产过程都是经过严密的装配,每一个步骤,每一个零件都要精打细算,这样才能出好的产品,接下来为大家介绍塑料液下泵的8个装配步骤。
      (1)将轴承分别装在轴承盒和轴承座上。
      (2)将毛毡圈装在轴承端盖甲、丙和轴承盒上。
      (3)将轴承端盖乙、丙装在轴承座上并用螺栓紧固。
      (4)将装好轴承的轴承盒穿在轴上,拧上圆螺母,并将轴承端盖甲紧固在轴承盒上。

      (5)将轴装入轴承座,用螺栓固定,拧上调整螺钉,并将轴承安装在支承座上,将挡水圈套在下部轴承处的适当位置。
      (6)将联接管固定在轴承座上,并在联接管下部装上塑料液下泵泵盖,在轴下部装上叶轮并拧紧,依次装上泵体前盖,并螺栓固定,用轴承盒处的调整螺钉调整叶轮与前盖间的间隙,调好后用螺母,螺栓紧固。

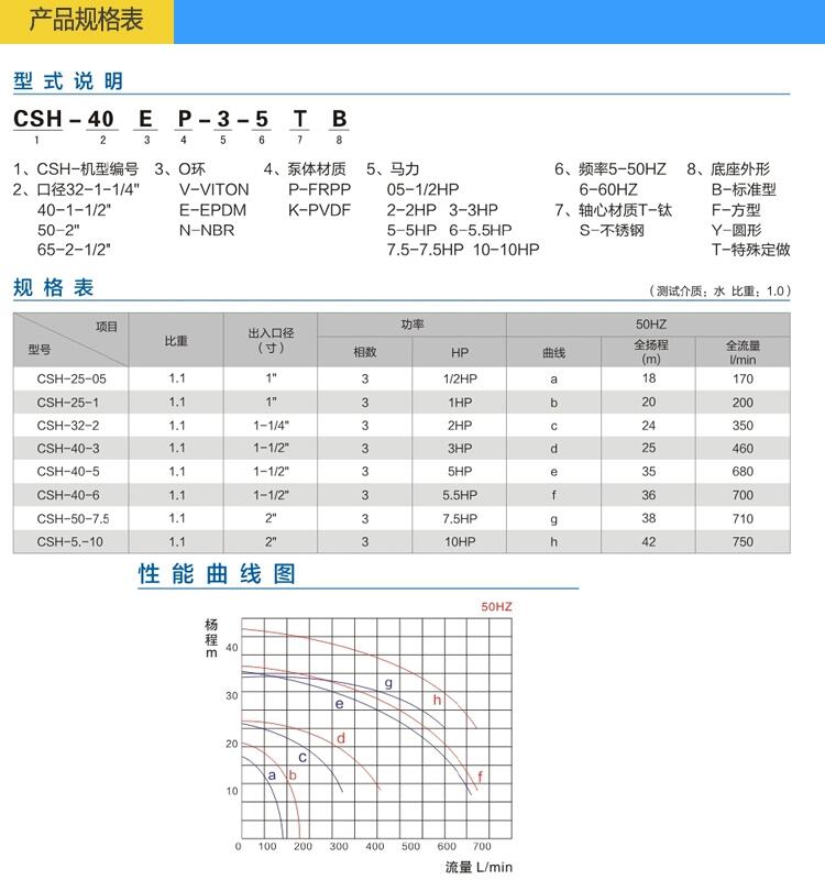
      产品规格:(50/60Hz)
      电机功率:0.37-7.5 KW
      全流量:170-750 L/min
      全扬程:15-42 m
      主要材质:FRPP
      适合温度:0~75℃(FRPP),0~90℃(PVDF)
      (7)电机支承安装在轴承座上用螺栓紧固,在轴的上端装联轴器部件,并将电机联轴器用紧固螺钉紧固在电机轴头上,将电机装在电机支承上,并用螺栓,螺母紧固。

      (8)从塑料液下泵的出品顺序将石棉垫,出液弯头、出液管件装上,并固定在支承座上。
      创升坚守品质,匠心制造:采用德国进口BASF原材料和欧洲SKF轴承,从源头上避免次品产品,保证产品质量精细工艺:电机采用欧层防腐处理,电容等级高,特殊工艺压铸一体成型,使用寿命长,耐高压严格质检:经过车加工、热处理、磨加工、装配等 几十道工序,真正做到强悍内在
    0571-87774297