玻璃设备用WPWDK200泰兴蜗杆减速机
玻璃设备用WPWDK200泰兴蜗杆减速机
产品价格:¥6600(人民币)
  • 规格:WPWDK200
  • 发货地:江苏泰兴
  • 品牌:
  • 最小起订量:1台
  • 诚信商家
    会员级别:钻石会员
    认证类型:企业认证
    企业证件:通过认证

    商铺名称:泰兴市昌泰减速机有限公司

    联系人:薛先生(先生)

    联系手机:

    固定电话:

    企业邮箱:1553918336@qq.com

    联系地址:泰兴市姚王镇鲁堡

    邮编:225400

    联系我时,请说是在牵牛钢材网上看到的,谢谢!

    商品详情

      泰兴昌泰减速机有限公司专业生产WP系列蜗杆减速机,采用优化设计,轻巧的外形结构,配套用于食品,皮革,纺织,玻璃,陶瓷,医疗,化工,轻工等机械设备行业,振动小,低噪音,低能耗,规格型号齐全,组合型式全,交货迅速,价格合理,性价比高。

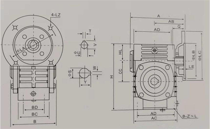
      玻璃设备用WPWDK200泰兴蜗杆减速机为单级传动,内部一级蜗杆,一级蜗轮,型号中WP表示蜗杆减速机,W表示万能型,D表示带电机法兰,K表示中空输出轴,为蜗杆在蜗轮之上,重约为222KG,功率可配套7.5KW,11KW,入轴直径有38和42之分,输出轴为85内径,常用传动比型号有:WPWDK200-5,WPWDK200-10,WPWDK200-15,WPWDK200-20,WPWDK200-25蜗杆减速机,WPWDK200-30,WPWDK200-40,WPWDK200-50,WPWDK200-60,WPWDK200-70,WPWDK200-80圆柱蜗杆减速机,WPWDK200-100蜗轮减速机,规格型号齐全,传动比全,交货迅速。批量现货。

      WP系列减速机在设计时,其输入动力容量及许用承载能力的强度计算按照每天连续运转八小时,载荷稳定不变的理想工况设定,在实际使用时,现场工况(是否有反复启动停止或频繁正反转,使用时间是否小于或多于八小时,冲击载荷大小及特性,可能与理想工况相差甚远,在选型时应充分考虑,在选择用减速机输入功率或输出转矩时,可按下列公式加以修正,修正输出转矩T2=理论输出转矩T1*工况系数K。




    0571-87774297