汤池温泉洗浴热水200KW匠奥燃气快热冷凝模块炉可采暖可热水
汤池温泉洗浴热水200KW匠奥燃气快热冷凝模块炉可采暖可热水
产品价格:¥23800(人民币)
  • 规格:N5PK200-R4
  • 发货地:河北石家庄
  • 品牌:
  • 最小起订量:1台
  • 诚信商家
    会员级别:钻石会员
    认证类型:企业认证
    企业证件:通过认证

    商铺名称:石家庄途盟机械有限公司

    联系人:宋先生(先生)

    联系手机:

    固定电话:

    企业邮箱:172660827@qq.com

    联系地址:石家庄经济技术开发区南延路123号A909厂房

    邮编:050032

    联系我时,请说是在牵牛钢材网上看到的,谢谢!

    商品详情

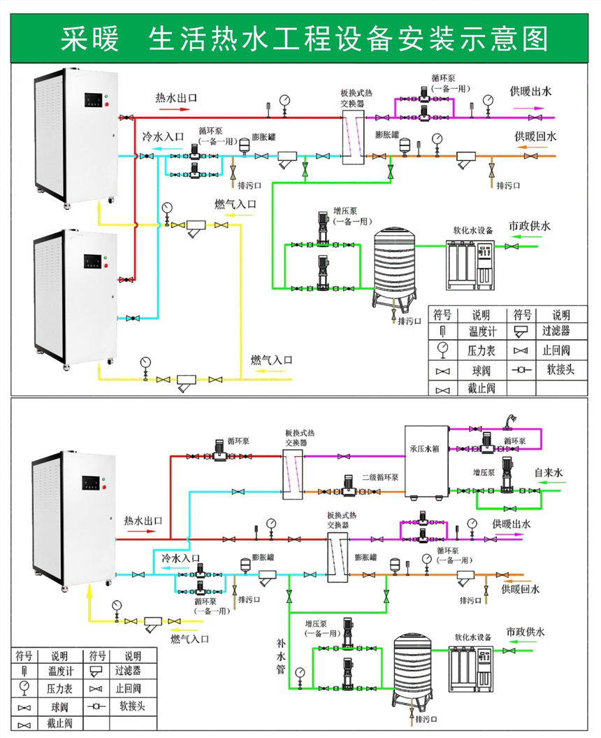
      匠奥燃气冷凝模块炉(热水机组)

      1、采用模块化设计,一个模块50KW,200KW由4个模块组合而成,每个模块可单独工作每个模块互为备用,一个模块故障不影响其他模块工作;并且具有扩展能力,总控器可以控制24个分控器,即可以实现50KW-1200KW的扩充能力;(扩充模块需另行计算成本);

      2、温度调节范围30-80度调节,温差调节范围5-30度调节,定时功能,液晶显示屏动态显示机器运行状态;可查询各个模块的工作情况;

      3、具有缺水保护、过热保护、超温保护、漏电保护、意外熄火保护、排烟不畅通保护等,故障自诊断,显示故障代码,方便快速检修恢复正常运行;


    0571-87774297