商铺名称:杜安环保设备(江苏)有限公司
联系人:李男(先生)
联系手机:
固定电话:
企业邮箱:63582753@qq.com
联系地址:六合区雄州工业园区腾飞路
邮编:211500
联系我时,请说是在牵牛钢材网上看到的,谢谢!
杜安环保可提升式潜水搅拌机QJB1.5/6-260/3-980S

一:潜水搅拌机的结构简介及性能特点:
1、潜水搅拌机具有结构紧凑,体积小,重量轻。操作和维护简单,安装方便,使用寿命长。
2、潜水搅拌机的叶片具有自清洁功能,可以防止异物缠绕堵塞。
3、潜水搅拌机与曝气系统的使用可以减少能源消耗大大降低,氧合得到改善,有效防止沉淀。
4、潜水搅拌机电机绕组为F级绝缘,防护等级达IP68,一润滑免维护进口轴承的选择,与油腔泄漏检测和电机的过热保护功能的绕组,使电机工作更安全、可靠。
5、潜水搅拌器机械密封摩擦付的碳化钨材料的腐蚀,所有紧固件为不锈钢。
二、潜水搅拌机产品型号说明:
其中QJB0.85/8-260/3-740C
QJB------潜水搅拌机(推流器)的拼音缩写
260------叶轮名义直径
740------叶轮转速(r/min)
0.85-----电机功率(KW)
材质:C-------碳钢 S--------不锈钢
配用功率范围:0.85-10KW 叶轮直径范围:260-615mm 叶轮转速范围:180-980r/min
推力范围:≤2900N 材质:铸铁/铸造全不锈钢 可根据客户要求定做.另有潜水推流器、潜水曝气机。
三、潜水搅拌机用途:
潜水搅拌机适用于工业和城市污水处理厂曝气池和厌氧池的应用,可用水循环及硝化,脱氮除磷阶段创建一个流。
混合多极电机系列产品的选择,采用直联式结构,能耗低,效率高;叶轮采用铸造或冲压成型,精度高,推力大,外形美观流畅,结构紧凑。
采用摆线针轮减速机产品慢推流系列,配备功率小,转速低,叶轮直径大,宽服务区。叶轮是由聚氨酯材料和铝合金铸造,强度高,耐腐蚀性强,除与混合的功能也可以用推流和创建水的作用。
电机F级绝缘的绕组潜水搅拌机,防护等级IP68。随着曝气系统在污水处理厂使用,可大大降低系统能耗,和氧合改善,能有效地防止沉淀。根据工艺要求,直接耦合式潜水搅拌可配备导流罩。

潜水搅拌机电动机接线盒的要求:
(1)电动机接线盒应有足够强度,在接线盒内发生短路故障时,能够保证电动机接线盒不被炸开,从而发生爆炸伤害事件或者电动机有压力释放通道,在接线盒内发生短路故障时能够及时释放压力,不发生爆炸,从而避免伤害事件发生。
(2)在主接线箱内应有充足的空间,以方便根据电动机数据表上的规定进行电缆接线,
同时放入电缆三指套和电缆头,电缆头不能弯曲受力、与接线盒壁接触。
(3)电动机引线与接线端采用双道六棱压接工艺。
其他
(1)变频器应设与 DCS 及电脑通讯接口,并具有失电跨越功能。
(2)所有的电动机和用电设备的控制、计量、保护和信号等均按 IEC、GB 等有关规
程和规范设置。
(3)控制方式采用控制室集中控制与就地控制相结合,实现监视、控制、报警、安全
联锁。
(4)电机配有控制和动力水下电缆,为能最大限度地保护电机,即使在偶然的不正常运行
下,电缆损坏且电机仍在水下,电缆进口也不允许有湿气进入电机和接线盒,电缆进口宜采用三道密封。
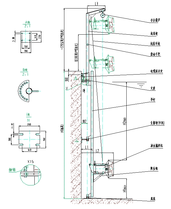
潜水搅拌机由潜水电机、搅拌叶轮、密封机构、减速机构、安装系统、电控设备等部分
构成。
总体要求如下:
1、潜水搅拌器安装轴承罩、主轴和搅拌桨叶。如采用水平搅拌器,卖方需确保密封。
2、接触被搅拌污泥混合液的搅拌器部件的材质,适用于污泥混合液的特性,而且能耐磨损和腐蚀。同时,搅拌器创建水流,加强搅拌功能,防止污泥沉淀及产生死角。
3、每台搅拌器及其附属设备的布置便于操作、维修和拆卸,而且不中断装置的运行。
4、导轨系统可自由调整搅拌器的提升和下降,并无需排空水池情况下拆卸和安装搅拌
器,搅拌器全部的重量受力在一个支架上,并且这个支架可承受搅拌器产生的推力。
5、为便于检修搅拌器,需安装提升系统,包括导轨、提升索、水上提升支架和电缆固
定件等。搅拌机壳体结构由方便固定提升索的设计或配置,安装搅拌器也不必把池子防空。
6、搅拌器的电机壳体由优质不锈钢制造,壳体厚度足以承受荷载,其表面加工平整光滑。
7、叶轮用不锈钢制造,且经动平衡实验。叶轮与轴中间应装有锁定装置,以防转动时
松动,叶片设计需考虑自清洁及免振功能。
8、搅拌器的电机和叶轮采用直联式传动方式,轴由不锈钢制造,轴能承受所有轴向和
径向载荷。
9、潜水搅拌机的防护等级为 IP68,绝缘等级为 F,潜水电机可连续运行,每小时可启
动至少 15 次,潜水电机与搅拌器应是同一厂家制造。
杜安环保潜水搅拌机主要零部件材料:
电机壳体 SS304 不锈钢
主轴 2Cr13
叶桨 SS304 不锈钢
提升系统 SS304 不锈钢
提升钢丝绳 SS304 不锈钢
水下安装系统 SS304 不锈钢
紧固件(螺栓、螺母、垫片) SS304 不锈钢导轨架 SS304 不锈钢
机械密封 双端面机械密封,耐腐蚀的碳化钨/SS304 不锈钢(外露紧固件)
