商铺名称:杜安环保设备(江苏)有限公司
联系人:李男(先生)
联系手机:
固定电话:
企业邮箱:63582753@qq.com
联系地址:六合区雄州工业园区腾飞路
邮编:211500
联系我时,请说是在牵牛钢材网上看到的,谢谢!
江苏杜安环保QJB22/12-620/3-480S潜水推流搅拌机 工厂直销 包安装调试
电机功率22KW
叶轮直径620mm
叶轮转速480转/分
使用电压380V
SU304不锈钢
重量:300kg

QJB潜水搅拌机适用与工业和城市污水处理厂曝气池和厌氧池,可用池中水循环及硝化、脱氮和除磷阶段创建水流等。
混合搅拌系列产品选用多极电机,采用直联式结构,能耗低,效率高;叶轮通过精铸或冲压成型,精度高,推力大,外型美观流畅,结构紧凑。
低速推流系列产品采用摆线针轮减速机,配备功率小,转速低,叶轮直径大,服务面积广。叶轮由聚胺脂材料和铝合金铸成,强度高,耐腐蚀性强,除了具有搅拌的功能外还能外还兼有推流和创建水流的作用。
潜水搅拌机的电机绕组为F级绝缘,防护等级为IP68。在污水厂的曝气系统中配合使用,可使系统能耗大大降低,且充氧量明显提高,能有效的防止沉淀。根据工艺要求,直联式潜水搅拌可配用导流罩。
潜水搅拌机适用于各种水处理工艺和工业流程需要保持固、液二相或固、液、气三相介质均匀混合反应的场所。
潜水搅拌机选用多级电机,潜水搅拌机的电机绕组为F级绝缘,防护等级为IP68。
1、潜水搅拌机电机故障表现:在分解电机前,我们进行了空运转,以图找出问题。不出预料,电机发出异常声响,振动很大;电机轴的轴套处潜水搅拌机发出咝咝的声音,好像是某个零件“丢转”而不能同步的感觉;电机空运转不到2分钟轴伸温度就达60多度,有烫手的感觉。
2、潜水搅拌机结构简图:潜水搅拌机侧轴承的装配图,轴承型号为SKF 6309。轴承外圈用挡圈5定位,内圈用轴套4定位,潜水搅拌机并用弹簧挡圈2和3固定;骨架油封11的规格为55x80x8,装在挡圈5和轴套4之间,在轴套4上滑动;轴承另一端的固定依靠∮45轴段的轴肩和轴承座的台阶;∮55轴段与轴承座的配合为H8/f7,相当于一滑动轴承;斜齿轮7依靠过盈配合嵌固在潜水搅拌机轴8的右端部;1为甩油环,阻止齿轮箱的油进入骨架油封。
3、潜水搅拌机分解与检查:首先拆除甩油环1、弹簧挡圈2和3;再拆除电机后端轴承盖,将电机转子轴8从电机定子体9的左边抽出;然后依次拆除轴承6、轴套4、挡圈5和骨架油封!QJB潜水搅拌机安装系统
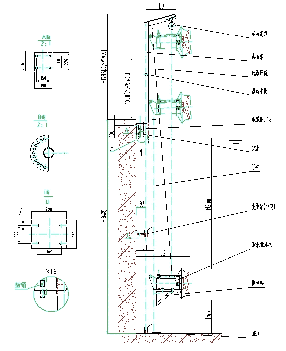
QJB潜水搅拌机的专用安装系统可在无需排出池中污水的情况下,能快速安装和拆卸潜水搅拌机。当池深H<4米时建议采用安装系统Ⅰ。潜水搅拌机的潜水深度可以根据需要进行垂直方向的调节,而且在水平面内可绕导杆旋转的最大角度为±60°起吊系统底座、支撑架和下托架与池的有关联接面均采用膨胀螺栓固定,无需预留孔。当池深H>4米时建议采用安装系统Ⅱ,需在池底做一混凝土基础(或钢结构底座)。起吊系统底座、钢绳固定架和导向底座与池的有关联接面均采用膨胀螺栓固定,无需预留孔。安装系统Ⅱ用导向钢绳替代导杆,具有运输方便、现场安装简单等特点。该系统从根本上避免了由于运输引起导杆弯曲、变形有而影响正常使用的情况,并有效改善了池深过深情况下,由于导杆的安装误差而导致的无法正常起吊等现象。在有悬臂池顶(如图)的安装条件下更显得操作方便可靠。客户定货时,请提供池深H及池型图,以便厂方加工时确定导杆或导向钢丝的尺寸。安装系统的材质采用不锈钢(或碳钢)制造。安装系统中除导杆或导向钢丝、起吊底座外,多台搅拌机可共用一套起吊装置(用户有特殊要录除外)。

潜水搅拌机型号额定功率额定电流叶轮直径叶轮轮速(r/min)重量(kg)
(kw)(A)(mm)
铸件式潜水搅拌机型号:
QJBO.85/8-260/3-740/C/S
QJB1.5/6-260/3-960/c/S
QJB2.2/8-320/3-740/c/s
QJB4/6-320/3-960/c/s、
冲压式潜水搅拌机型号:
QJB1.5/8-400/3-740/S
QJB2.5/8-400/3-740/s
QJB3/8-400/3-740/s
QJB4/12-620/3-480/s
QJB5/12-620/3-480/s
QJB7.5/12-620/3-480/s
QJB10/12-620/3-480/s
QJB12/12-620/3-480/s
QJB15/12-620/3-480/s
QJB18.5/12-620/3-480/s
QJB22/12-620/3-480/s

杜安环保设备(江苏)有限公司目前主要产品有:潜水搅拌机系列:QJB潜水搅拌机,双曲面搅拌机,QJB-W污泥回流泵,浆式(框式)搅拌机。潜水曝气机系列:射流曝气机,离心曝气机,立式表曝机,浮筒搅拌曝气机,深水曝气机。拦污输送系列:机械格栅,无轴螺旋输送机,螺旋压榨机,沉砂池除砂机,砂水分离器。刮吸泥机系列:周边传动,中心传动,行车式,虹吸式等刮吸泥机,滗水器,闸门,地埋式等污水处理专用设备。潜水泵系列:AS、AV、WQ,AF型潜污泵,ZQB、HQB型潜水轴、混流泵,RJC长轴深井泵,QRJ井用潜水泵。