商铺名称:腾骥(天津)精密机械有限公司
联系人:杨彦伟(先生)
联系手机:
固定电话:
企业邮箱:1135953545@qq.com
联系地址:天津市北辰区大张庄镇下殷庄支路与津围公路交口
邮编:
联系我时,请说是在牵牛钢材网上看到的,谢谢!
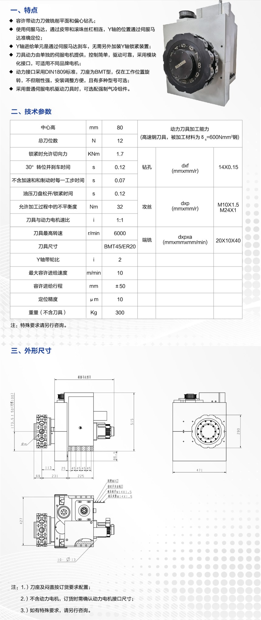
特点:
容许带动力刀做铣削平面和偏心钻孔;
使用伺服马达,通过皮带和滚珠丝杆相连,Y轴的位置通过伺服马达准确定位;
Y轴进给单元是通过伺服马达刹车,无需另外加Y轴锁紧装置;
刀具动力由单独的伺服电机提供,控制简单,驱动可靠,采用模块化接口,可适用不同品牌电机;
动力接口采用DIN1809标准,刀座为BMT型,仅在工作位置旋转,不但刚性强,安装调整方便,且有多种型号可选;
采用普通伺服电机驱动刀具时,可选配强制气冷组件
动力刀塔:
在伺服刀塔的基础上装有动力刀具驱动模组,为用户提供方便,可靠的铣销功能;
刀具动力由单独的伺服电机提供,控制简单,驱动可靠,采用模块化接口,可使用不同品牌电机;
动力接口采用DIN1809标准,刀座为BMT型,仅在工作位置旋转,刚性强,安装调试方便,且有多做型号可选;
采用普通伺服电机驱动刀具时,可选配强制气冷组件;
动力刀具加工能力:
钻孔:dxf
mmxmm/r=14x0.15
攻丝:dxp
mmxmm/r=M10X1.5 mmxmm/r=M24X1.0
铣端:dxpxa
Mmxmmxmm/min=20x10x4
SY90A
Y轴动力刀塔
特点:
由Y轴专用伺服刀塔附加轴向刀具旋转系统构成,除继承本公司伺服刀塔的各项优点,还可为用户提供方便,可靠的铣削功能;
针对Y轴刀塔使用特点设计,不但顶部及前侧面尺寸小,干涉小,而且采用众多铝合金零件,重量更轻;
刀具动力由单独的伺服电机提供,控制简单,驱动可靠,采用模块化接口,可适用不同品牌电机;
动力接口采用DIN1809标准,刀座BMT型仅在工作位置旋转,不但刚性强,安装调整方便,且有多种型号可选。



